
Lorsqu’il s’agit de maintenir et de réparer les systèmes de stores extérieurs, une bonne compréhension des différents composants et de leur agencement est essentielle. Un schéma détaillé permet de visualiser chaque élément, facilitant ainsi l’entretien et la gestion des réparations. Cela aide non seulement à identifier les parties usées, mais aussi à comprendre leur fonctionnement global dans le mécanisme.
Les systèmes de stores modernes sont souvent complexes, combinant plusieurs pièces mobiles qui interagissent pour offrir confort et protection. En connaissant la disposition et le rôle de chaque composant, il devient plus facile de repérer les problèmes potentiels et d’effectuer les réparations nécessaires. Cette approche simplifie grandement les interventions techniques et réduit le risque d’erreurs.
Le schéma de ces structures n’est pas seulement utile pour les réparations, il est également indispensable pour ceux qui cherchent à améliorer la durabilité ou à effectuer des mises à jour sur leurs installations. Grâce à une représentation claire et détaillée, il devient possible de réaliser des ajustements précis et adaptés à chaque besoin spécifique.
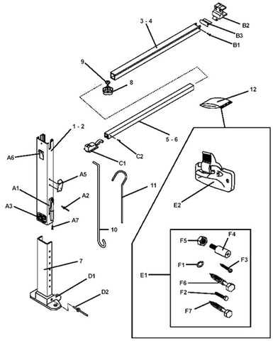
Comprendre le schéma du store Dometic

La compréhension du fonctionnement d’un système de protection extérieure repose sur une visualisation précise de ses différents éléments. Un schéma détaillé permet de voir l’ensemble des pièces constitutives et leur agencement. Cela facilite l’identification des parties essentielles du mécanisme, tout en offrant une meilleure maîtrise de l’entretien et des réparations.
En analysant ce type de représentation, il devient possible de repérer chaque composant clé, des supports aux systèmes de fixation. Cette organisation permet de comprendre comment les différentes sections interagissent entre elles pour assurer le bon déploiement et le retrait du dispositif, garantissant ainsi sa durabilité et son efficacité.
Un schéma bien conçu met en évidence les points de connexion entre les différents éléments, aidant à diagnostiquer rapidement d’éventuels dysfonctionnements. Cela devient un outil précieux tant pour les utilisateurs que pour les techniciens, facilitant les réparations et la maintenance, tout en réduisant les risques d’erreurs.
Identification des composants principaux

Pour bien comprendre le fonctionnement d’un système de store extérieur, il est essentiel d’identifier les composants principaux qui le constituent. Chaque élément joue un rôle spécifique dans le déploiement et la rétraction de l’installation, et connaître ces pièces permet de mieux appréhender l’entretien et les réparations nécessaires.

Les principaux composants incluent généralement le mécanisme de support, les bras de tension, ainsi que les systèmes de verrouillage et de fixation. Chacune de ces parties travaille de manière coordonnée pour assurer la stabilité et la fonctionnalité de l’ensemble. Il est crucial de comprendre comment elles interagissent pour anticiper les problèmes éventuels et effectuer les ajustements requis.
Une bonne identification de ces éléments vous permettra de repérer rapidement les zones d’usure ou de défaillance, facilitant ainsi les interventions. Que ce soit pour un simple remplacement de pièce ou une réparation plus complexe, la reconnaissance des composants clés est la première étape vers une maintenance efficace.
Conseils pour l’entretien et les réparations

L’entretien régulier et les réparations opportunes sont essentiels pour garantir la longévité et la performance optimale de tout système de protection extérieure. Adopter une approche proactive permet non seulement de prévenir les pannes, mais aussi de maintenir le bon fonctionnement de l’installation pendant de nombreuses années.
Vérification régulière des composants

Il est important de réaliser des inspections fréquentes pour détecter tout signe d’usure, de corrosion ou de dommages. Commencez par examiner les éléments mobiles, tels que les bras de tension et les mécanismes de déploiement. Une inspection visuelle permet souvent de repérer des problèmes avant qu’ils ne deviennent plus graves, comme des pièces desserrées ou des blocages.

Réparations courantes et remplacement de pièces

Lorsque des composants sont endommagés, un remplacement rapide est essentiel pour éviter d’autres complications. Pour les pièces usées, il est recommandé de choisir des alternatives de qualité équivalente pour maintenir la performance du système. Certaines réparations, comme le resserrement des fixations ou l’ajustement de la tension, peuvent être effectuées sans l’aide d’un professionnel, tandis que des réparations plus complexes, comme le remplacement de pièces internes, nécessitent une intervention spécialisée.